网站首页
校园概况
学校简介
现任领导
机构设置
一训三风
校徽
校歌
联系我们
校园风光
党群工作
党建工作
工会活动
妇委会活动
团委活动
新闻资讯
教学教研
教育教学
教学科研
成人教育
师资队伍
教学设施
学生管理
德育工作
学生资助
学生活动
学生风采
招生就业
就业信息
招生信息
专业介绍
优秀校友
升学信息
新生报名
技能培训
培训工作
鉴定工作
通知公告
项目建设
智慧校园
AI助手
项目建设
您的位置:
首页
> 项目建设
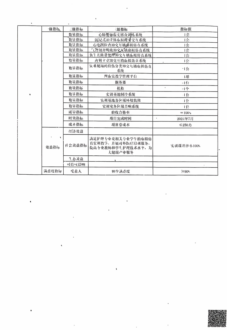
百色市民族卫生学校第二批广西职业教育示范性虚拟仿真实训基地项目建设审计报告
时间:
9/30/2024 4:28:23 PM
点击量:
4767
作者:
上一篇:没有了
下一篇:百色市民族卫生学校第二批广西职业教育示范性虚拟仿真实训基地项目建设佐证材料
返回列表